- SEV Series HV DC Contactor
- HEV Series HV DC Contactor
- SZJ Series DC Contactor
- CZW Series DC Contactor
- QZJ Series DC Contactor
- SDC Series Starter DC Contactor
- CZQ Series DC Contactor
- JCC Series DC Contactor
- CZ10 Series DC Contactor
- PCB DC Contactor
- Magnetic Holding DC Contactor
- Switches and Accessories
CZW352A Normally Open DC Contactor
SAYOON MODEL IMPLICATION
SAYOON MODEL IMPLICATION
|
CZW |
352A |
-S |
-K |
-2L |
-□ |
/24V |
|
|
1 |
2 |
3 |
4 |
5 |
6 |
7 |
|
1 |
Product type | ||||||||
|
2 |
Rated current: 350A | ||||||||
|
3 |
Auxiliary switch: None-Without auxiliary switch; S-With auxiliary switch | ||||||||
|
4 |
Magetic holding structure: K-Two joint magnetic retention (Single coil, Two joint self-locking); 2K-Three joint magnetic retention (Double coil, Three joint self-locking) | ||||||||
|
5 |
Mounting bracket type: 2L-Two vertical (default); M-Horizontal; X-Oblique; 1LW-One vertical horizontal; 2N-Rear | ||||||||
|
6 |
Other function codes: l-With suppressor diode; R-With pre-charged resistance; CO-Continuous; IN-Intermittent | ||||||||
|
7 |
Coil rated voltage: 12V, 24V, 36V, 48V, 60V, 72V etc. | ||||||||
Uses
Technical Parameters: (Version 1.06)
SAYOON Product Type |
CZW352A |
Contact form |
1 NO |
Coil Rated voltage (DC V) |
6V,12V,24V,36V,48V,60V,72V,84V,120V,150V,220V etc. |
Contact voltage (DC V) |
≤60V |
Rated load current of contact 48V circuit (DC-1) |
350A |
Typical voltage drop across contacts per 100A |
≯80mV |
The cooling pull-in voltage at (20±5)℃ (V) |
≯70% |
The cooling drop-out voltage at (20±5)℃ (V) |
≯35%,≮5% |
Working voltage range of 40℃ coil |
0.8-1.2Us |
Drop-out time (n/o contacts to open) |
50ms |
Pull-in time (n/o contacts to close) |
15ms |
Maximum bounce time for contact connection |
10ms |
Maximum bounce time for contact disconnection |
3ms |
Insulation resistance |
20MΩ |
Electric strength to resist |
50Hz/60Hz 1000VAC 1minute |
Typical fault currents which can be ruptured |
1200A/5ms at 48V DC |
Coil power (W) |
20-35 |
Temperature rise of coil (K) |
≤80 |
Temperature rise on outgoing terminal (K) |
≤65 |
Electrical life |
10,000 times |
Mechanical life |
300,000 times |
Work specification |
Continuous or Intermittent(default) |
Contact material |
Ag alloy |
Load terminal type |
2-M8 Screw |
Coil terminal type |
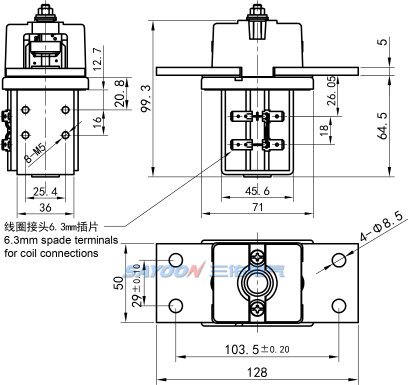
6.3mm spade terminals |
Auxiliary contact rated load (optional) |
2A/48VDC, 5A/24VDC |
Note:As regarding to the different using environments of customers which requires different focus of the functions,and in order to improve the comprehensive properties of our products,sayoon may adjust the coil parameters,temperature rise and so on. The above parameters are for reference only, For details, please refer to the guidelines for selection and use of the SAYOON DC contactor.
Load Characteristic Curve
Installation Diagram



Wiring Diagram

Temperature Curve

Mechanical Ability And Use Of The Environment
Contact lead M8 tightening torque (N.m) |
≯9.0 appropriate |
Coil lead-out torque (N.m) |
≯0.8 appropriate |
Ambient temperature |
-25~+70℃ |
Relative humidity |
+20℃ 98% |
Vibration freq. atthe fixed position |
3G, 1~50Hz amplitude 0.5mm |
Concussion |
(60~100) time/minute、acceleration≤4g |
Altitude |
2000m |
Installation direction |
Random |
International protection |
IP40 (According IEC60947) |
Order Instruction
SAYOON Product Type |
CZW352A |
Mounting bracket type |
2L Two vertical(default), M Horizontal , 1L One vertical, |
When ordering, please state the following: name, full model, control coil voltage specification, installation frame type, whether with auxiliary contact, order quantity. For example: DC Contactor CZW352A/24V 100pcs, indicating the load rated current 350A, without auxiliary contact, default mounting bracket, coil control voltage 24V purchase 100pcs. Special voltage specification products, such as user needs can be special order.
certificate
-
CCC -
CE -
RoHS
-
ISO9001









